The KYC-11/630-20/25 series load switches are specifically designed and developed for 11kV SF6 gas-insulated switchgear. The switches mainly feature a rotating moving contact (blade-type) structure and use an arc extinguishing grid to extinguish arcs, ensuring reliable performance and excellent insulation properties. This series includes three-position and two-position load switches, and the product performance complies with the standards of E3-M2 level isolating switches in GB/T3804-2017 "3.6kV~40.5kV High-voltage alternating current load switches".
The KYC-11/630-20/25 load switch is mainly applied to the KGC-11(C)/630-20/25 type gas-insulated switchgear or other similar types of SF6 gas-insulated switchgear. As a main component of the gas-insulated switchgear, it has the performance of opening and closing rated current, load current, and closing short-circuit current.
Operating environmental conditions
Ambient temperature: maximum temperature: +50℃; minimum temperature: -40℃;
Ambient humidity: the average relative humidity within 24 hours does not exceed 95%; the average monthly relative humidity does not exceed 90%;
Installation environment: there is no explosive or corrosive gas in the surrounding air, and the installation site has no severe vibration or shock;
Seismic intensity: 9 degrees;
Rated relative pressure of SF6 gas: 0.04MPa. The SF6 gas meets the requirements of GB/T12022 - 2014 "Industrial sulfur hexafluoride".
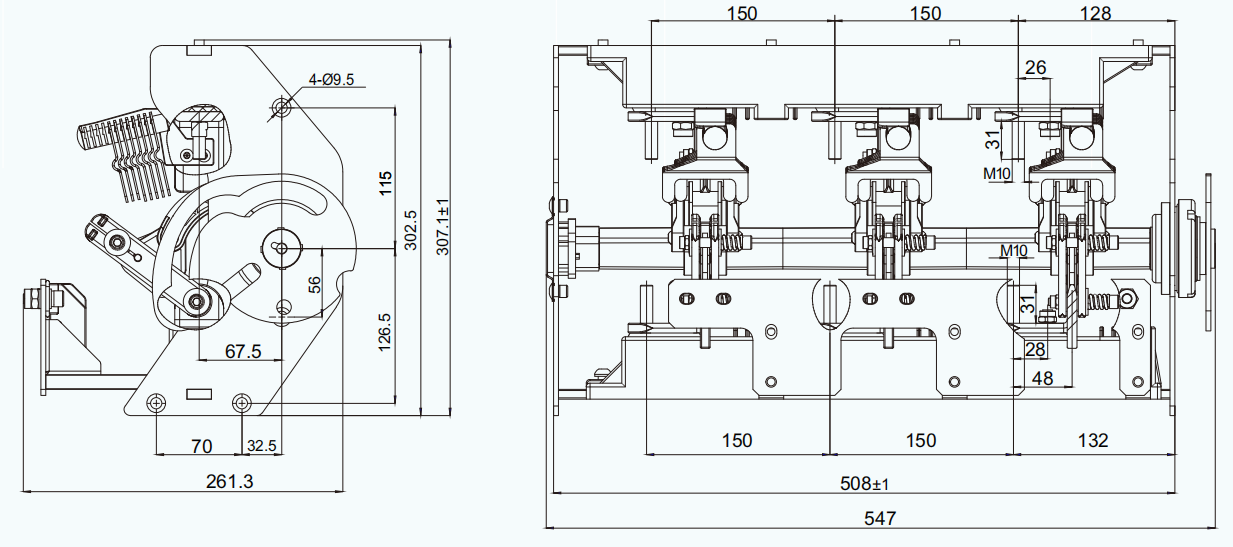
Overall dimensions and installation dimensions

Main technical parameters
Serial number | project | unit | Parameters | Remarks |
1 | Rated voltage | kV | 11 | |
2 | Rated frequency | Hz | 50 | |
3 | Rated current | A | 630 | |
4 | Rated short-time withstand current | kA/s | 20/4、25/4 | |
5 | Rated peak withstand current | kA | 50/63 | |
6 | Rated short - circuit making current | kA | 50/63 | |
7 | Rated active load breaking current | A | 630 | |
8 | Rated line closed-loop breaking current | A | 630 | |
9 | Rated no-load transformer breaking current | A | 6.3 | |
10 | Rated cable charging breaking current | A | 10 | |
11 | Number of active load breaking operation times | times | 100 | |
12 | 1 - minute power - frequency withstand voltage | kV | 42/48 | In SF6 gas |
13 | Lightning impulse withstand voltage | kV | 75/85 | |
14 | Mechanical life | times | 10000 | |
15 | Main circuit resistance | μΩ | ≤35 | |
16 | Interphase center distance | mm | 150 |
Technical parameters of the switch
1. The clamping force of the moving plug is guaranteed to be 180N - 240N and can be adjusted according to customer requirements.
2. The normal opening and closing times of the switch are more than 10,000 times. After 10,000 times, the mechanical components of the switch are not damaged, and the contacts have slight local wear.








